Skip to main content
Routers
RLTK421 4G Router
RLTK430 4G Router
RLTK451 4G Router
RLTK541 5G Router
Gateways
ModProBus ISM842 RF Gateway
Edge Pro LTE8421 4G IoT Gateway
DC620 DUAL Wi-Fi IoT Gateway
Roltek Website
English
Türkçe
English
Deutsch
Hardware Setup
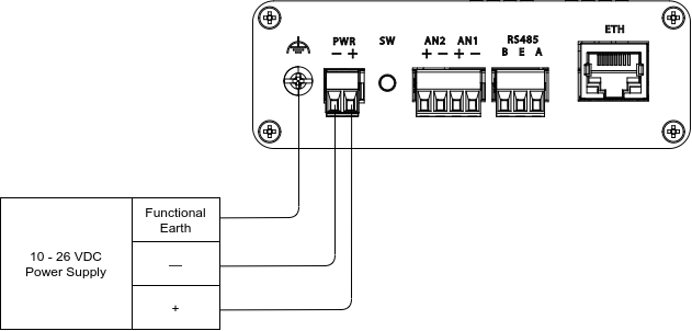
Power Connection
Power Connection
Previous
Connection Tables
Next
Communication Interface Connections