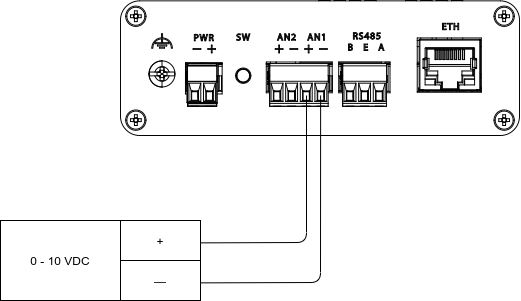
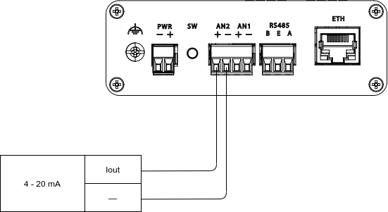
Hardware SetupInput / Output ConnectionsOn this pageInput / Output ConnectionsDigital Input Connection Digital Output Connection Analog Input (0-10 V) Connection Analog Input (4-20 mA) Connection