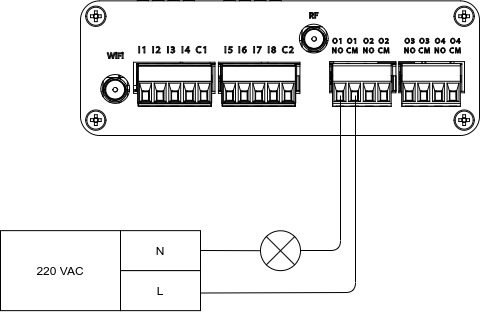
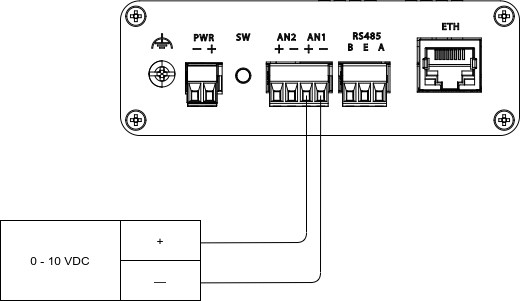
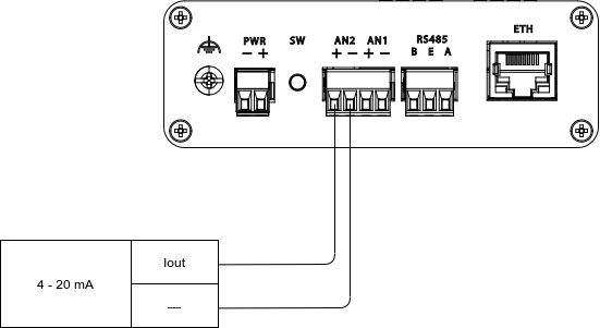
Hardware-InstallationEin-/AusgangsverbindungenAuf dieser SeiteEin-/AusgangsverbindungenDigitale Eingangsverbindung Digitale Ausgangsverbindung Analoge Eingangsverbindung (0-10 V) Analoge Eingangsverbindung (4-20 mA)