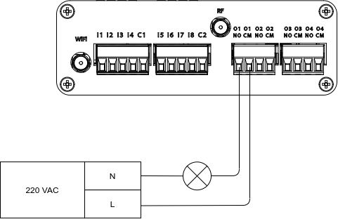
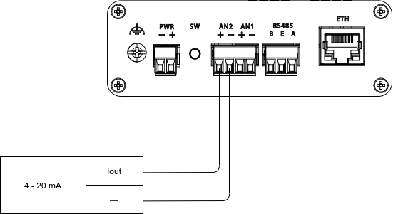
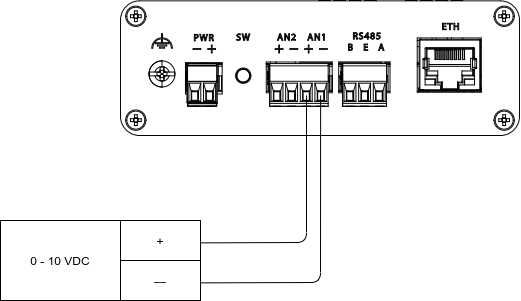
Donanım KurulumuGiriş / Çıkış BağlantılarıBu sayfadaGiriş / Çıkış BağlantılarıDijital Giriş Bağlantısı Dijital Çıkış Bağlantısı Analog Giriş (0-10 V) Bağlantısı Analog Giriş (4-20 mA) Bağlantısı