Ana içeriğe geç
Routers
RLTK421 4G Router
RLTK430 4G Router
RLTK451 4G Router
RLTK541 5G Router
Gateways
ModProBus ISM842 RF Gateway
Edge Pro LTE8421 4G IoT Gateway
DC620 DUAL Wi-Fi IoT Gateway
Roltek Website
Türkçe
Türkçe
English
Deutsch
Donanım Kurulumu
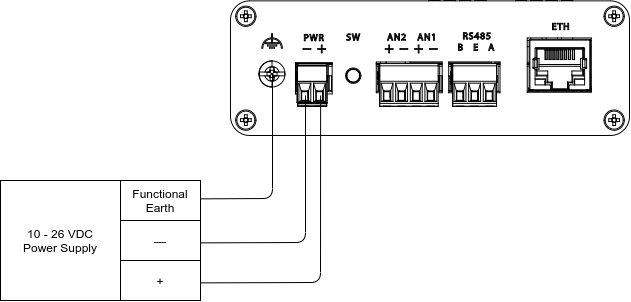
Güç Bağlantısı
Güç Bağlantısı
Önceki
Bağlantı Tabloları
Sonraki
Haberleşme Arayüzü Bağlantıları