Zum Hauptinhalt springen
Routers
RLTK421 4G Router
RLTK430 4G Router
RLTK451 4G Router
RLTK541 5G Router
Gateways
ModProBus ISM842 RF Gateway
Edge Pro LTE8421 4G IoT Gateway
DC620 DUAL Wi-Fi IoT Gateway
Roltek Website
Deutsch
Türkçe
English
Deutsch
Hardware-Installation
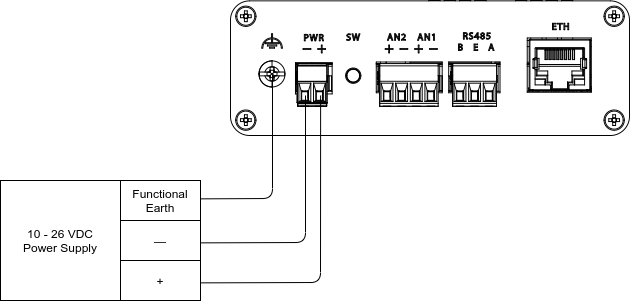
Stromanschluss
Stromanschluss
Zurück
Verbindungstabellen
Weiter
Kommunikationsschnittstellenverbindungen